首页
产品中心
倾角传感器
双轴倾角传感器
单轴倾角传感器
高精度倾角传感器
动态倾角传感器
无线倾角传感器
倾角开关
长角传感器
磁编码传感器
振动传感器
压力传感器
磁致伸缩位移传感器
测斜仪
基坑测斜仪
固定式测斜仪
控制单元
IOT平台软件
服务与支持
解决方案
新闻中心
直川科技
关于我们
资质证书
ISO 质量体系认证
CE 欧盟安全认证
UL 美国安全认证
PL 功能安全认证
RoHS 欧盟环保认证
E-MARK 安全认证
Ex 防爆认证
第三方测试报告
软件著作证书
专利证书
专利密集型产品
其他证书及授牌
联系我们
中 文
English
首页
>
倾角传感器
动态倾角传感器
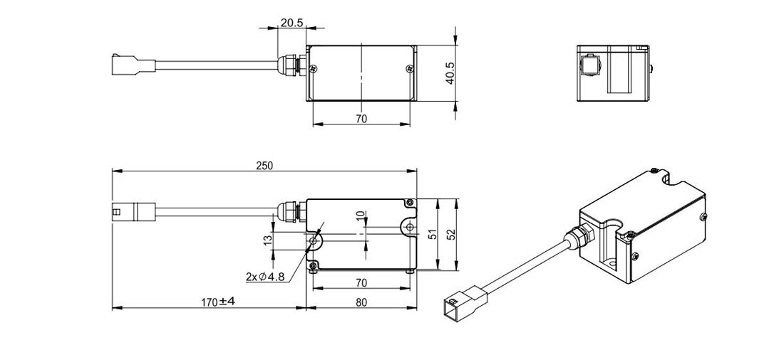
ZCT145KR-LQS-AH-6207
全部采用工业器件,性能稳定、可靠
优越的抗冲击和抗振能力
具有反极性保护功能
采用铝合金外壳
询价
样品申请
产品概述
ZCT145KR-LQS-AH-6207 为直川科技研发生产的单轴冗余型动态倾角传感器,最大测量范围 ±45 度,CAN 和 RS485 输出。可广泛应用于医疗、工业机械领域。
技术参数
外壳尺寸
接线定义
工作状态图示
产品应用
冰雪之约,魅力冬奥
冰雪之约,魅力冬奥。直川的倾角传感器在火炬点燃现场,于隐身之处发挥关键作用。第24届北京冬季奥运会于2022年2月4日盛大开幕,开幕式在国家体育...
查看详情
>>
05
2022-02
直川科技产品在工程机械中得到广泛应用
工程机械是装备工业的重要组成部分。概括地说,凡土石方施工工程、路面建设与养护、流动式起重装卸作业和各种建筑工程所需的综合性机械化施工工程...
查看详情
>>
16
2022-02
建筑基坑、边坡、隧道安全监测
目前大型工程项目中,安全监测是保障安全的基础条件,直川研发生产的多种测斜仪满足各类基坑监测的需求。ZCT-CX03E测斜仪显示器携带轻便;显示器操...
查看详情
>>
15
2022-02
可能感兴趣的其它产品:
ZCT2xxM-LBT-Ax-H5-460xB
高精度倾角传感器
高精度倾角传感器
电脑端或小程序端一键发布
pc端、公众号端、微信小程序端同步发布
无需独立开发微信小程序
小程序端活动签到更便捷
ZCT205M-LPS-7205
电流型倾角传感器
电流型倾角传感器
全部采用工业器件性能稳定、可靠
抗冲击、抗震动
坚固的铝合金外壳,防护等级 IP67
ZCT-IMU101
双轴倾角传感器
双轴倾角传感器
大量程,高性价比;
体积小、重量轻、易于集成;
全部采用工业器件,性能稳定可靠;
抗冲击,抗震动。