双轴倾角传感器
ZCT-IMU101
  • 大量程,高性价比;
  • 体积小、重量轻、易于集成;
  • 全部采用工业器件,性能稳定可靠;
  • 抗冲击,抗震动。
产品概述

          ZCT-IMU101 是直川科技研发生产的基于惯性测量单元的双轴动态倾角传感器,水平安装,最大测量角范围双轴 ±75°,静态精度 ±0.05°,动态精度 ±2°,USB type-C 接口 /CAN 接口输出(协议待定),铝合金外壳,防护等级 IP65。

技术参数

 

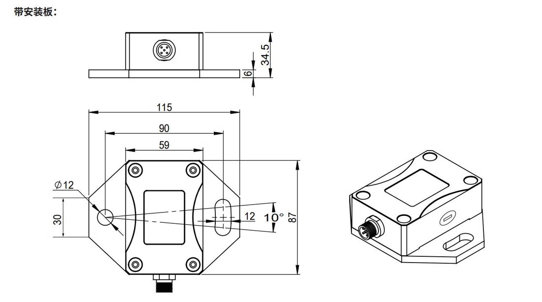
外壳尺寸

 

 

 

接线定义

工作状态图示

 

产品应用
  • 冰雪之约,魅力冬奥。直川的倾角传感器在火炬点燃现场,于隐身之处发挥关键作用。第24届北京冬季奥运会于2022年2月4日盛大开幕,开幕式在国家体育...
    05
    2022-02
  • 太阳能发电,分太阳能光伏发电和太阳能光热发电两种,目前太阳能光伏发电发展的速度更快,更迅速,是一个迅速发展的领域,目前中国、美国、欧洲、...
    15
    2022-02
  • 工程机械是装备工业的重要组成部分。概括地说,凡土石方施工工程、路面建设与养护、流动式起重装卸作业和各种建筑工程所需的综合性机械化施工工程...
    16
    2022-02