高精度倾角传感器
ZCT2xxM-LBT-Ax-H5-460xB
  • 电脑端或小程序端一键发布
  • pc端、公众号端、微信小程序端同步发布
  • 无需独立开发微信小程序
  • 小程序端活动签到更便捷
产品概述

       ZCTxxxxN-LBQ-Ax-H5-4600B是直川科技研发的高精度数字型倾角传感器, 5V供电,RS485接口,兼容Modbus RTU协议;

       该系列产品包含两个主要型号,其中:

       ZCT230N-LBQ-AH-H5-4600B为双轴版本,水平安装,量程±30°;

       ZCT1360N-LBQ-AV-H5-4600B为单轴版本,竖直安装,量程0~360°;

       该系列产品均采用铝合金外壳,防护等级IP67。

系列型号命名规则

技术参数

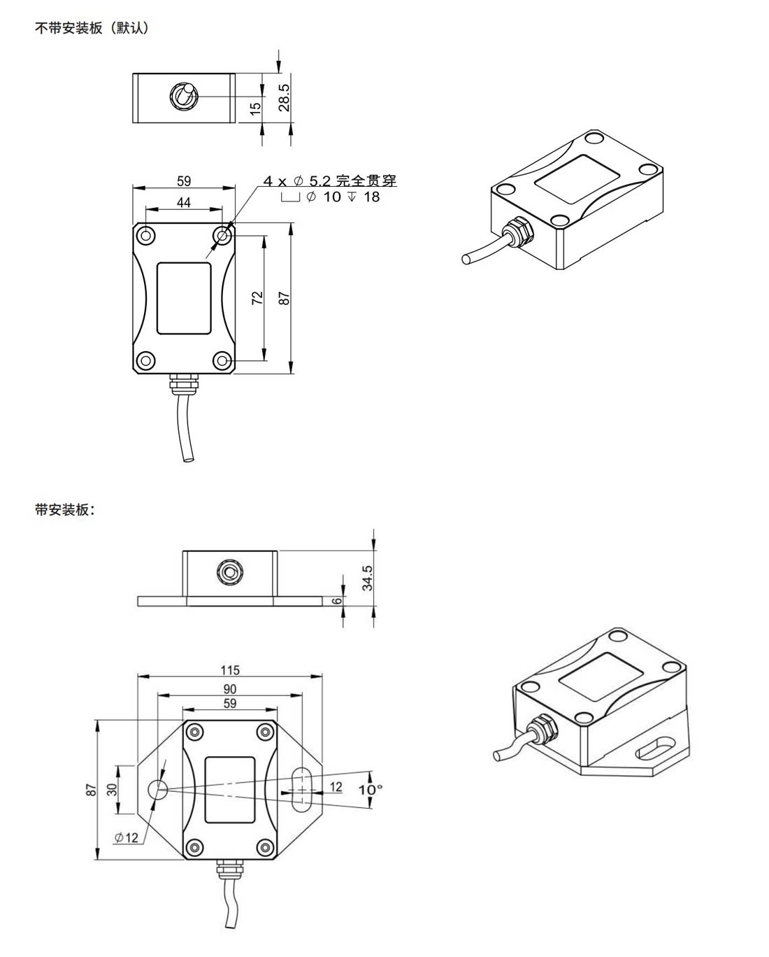
外壳尺寸

接线定义

工作状态图示

产品应用
  • 冰雪之约,魅力冬奥。直川的倾角传感器在火炬点燃现场,于隐身之处发挥关键作用。第24届北京冬季奥运会于2022年2月4日盛大开幕,开幕式在国家体育...
    05
    2022-02
  • 事件背景:3月9日凌晨5点40分左右,位于江苏省丹阳市导墅镇老黄埝桥东侧边跨发生坍塌事故,造成2人死亡,3人受伤,伤者已送往医院救治,事故原因正...
    15
    2021-03