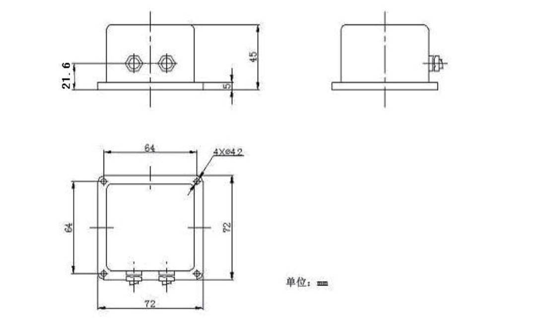
ZCT1B0JR-LPS-ARV 是直川科技研发生产的一款单轴冗余电流型倾角传感器(内含两个独立的倾角传感器),测量范围是 -30°—+90°,以标准 4 ~ 20mA 模拟电流输出。良好的抗干扰特性,适合远距离的信号传输。