物联网倾角传感器
ZCT330Ex-SWP-N-YKC1
  • 全部采用工业器件,性能稳定、可靠
  • 极低的功耗,可连续工作5年
  • NB-IOT,采用CTIOT协议
  • 防水等级:IP67
产品概述

        ZCT330Ex-SWP-N-YKC1为直川科技研发生产的基于NB-IoT的倾角传感器,最大测量范围双轴±30度。采用CTIOT协议(基于中国电信平台),可广泛应用于市政、通信、热力、水务、电力等行业。

技术参数

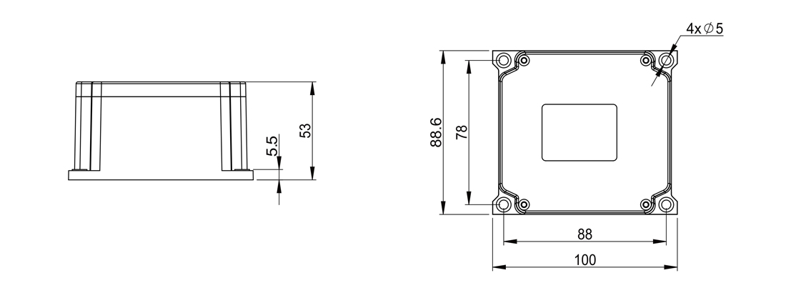
外壳尺寸

工作状态图示

产品应用
  • 冰雪之约,魅力冬奥。直川的倾角传感器在火炬点燃现场,于隐身之处发挥关键作用。第24届北京冬季奥运会于2022年2月4日盛大开幕,开幕式在国家体育...
    05
    2022-02
  • 货架作为一种日常存储货物的媒介,很多情况下都用于工业类产品、食品和饮料的中转站或者长期的存放。货架有托盘式货架、搁板货架、驶入式货架、悬...
    15
    2022-02