首页
产品中心
倾角传感器
双轴倾角传感器
单轴倾角传感器
高精度倾角传感器
动态倾角传感器
无线倾角传感器
倾角开关
长角传感器
磁编码传感器
振动传感器
压力传感器
磁致伸缩位移传感器
测斜仪
基坑测斜仪
固定式测斜仪
控制单元
IOT平台软件
服务与支持
解决方案
新闻中心
直川科技
关于我们
资质证书
ISO 质量体系认证
CE 欧盟安全认证
UL 美国安全认证
PL 功能安全认证
RoHS 欧盟环保认证
E-MARK 安全认证
Ex 防爆认证
第三方测试报告
软件著作证书
专利证书
专利密集型产品
其他证书及授牌
联系我们
中 文
English
首页
>
倾角传感器
模拟电压倾角传感器
ZCT1xxJ-xxx-xV
全部采用工业级器件,性能稳定、可靠
抗冲击,抗振动,性价比高
外壳防护等级 IP66
询价
样品申请
产品概述
ZCT1XXJ-XXX-XV 是直川科技研发生产的单轴模拟电压倾角传感器 ,0.5 ~ 4.5V 或者 0 ~ 5V 电压输出。
系列型号命名规则
技术参数
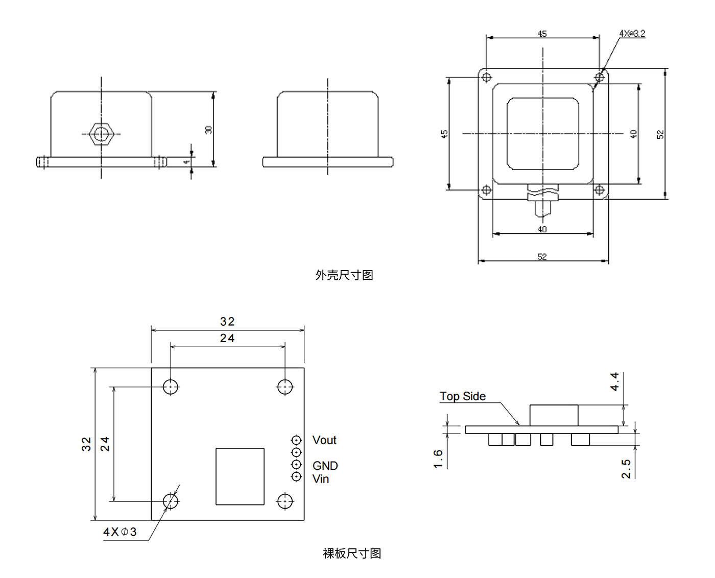
外壳尺寸
接线定义
产品应用
直川科技专家工作站,正式设立运行
为深入学习贯彻党的十九届五中、六中全会和总书记在两院院士大会、中国科协第十次全国代表大会上的重要讲话精神,贯彻落实中国科协服务科技经济融...
查看详情
>>
07
2021-12
电力铁塔倾斜监测
最近几年,由于受全球变暖的影响,气候条件的不确定因素增多,特殊气候事件出现的频次,强度均呈增加趋势,电网在灾害性天气条件下发生故障明显增...
查看详情
>>
16
2022-02
直川科技产品在工程机械中得到广泛应用
工程机械是装备工业的重要组成部分。概括地说,凡土石方施工工程、路面建设与养护、流动式起重装卸作业和各种建筑工程所需的综合性机械化施工工程...
查看详情
>>
16
2022-02
可能感兴趣的其它产品:
ZCT2XXJ-SXX-AH-1907B
倾角开关
倾角开关
全部采用工业级器件,性能稳定、可靠。
抗冲击,抗震动,性价比高
外壳防护等级 IP66,已通过 CE 认证
ZCT1xxxxK-LPS-Axx-460x
单轴电流型倾角传感器
单轴电流型倾角传感器
体积小、重量轻、易于集成;
全部采用工业器件,性能稳定可靠;
抗冲击,抗震动。
ZCT1K0J-SPS-A
电流型倾角传感器
电流型倾角传感器
标准 4 ~ 20mA 电流输出
防护等级:IP67
抗冲击 1000g