国产倾角开关
ZCT206Lx-SQS-AH1x-1907C
  • 符合 CE 规范 EN 61326
  • 坚固的塑料外壳
  • 内置 32 位微处理器,运算速度更快
  • 非接触式敏感元件,使用寿命更长
  • 外壳防护等级 IP66
产品概述

         ZCT206LX-SQS-AH1X-1907C 是直川科技研发的新一代高性价比双轴倾角开关,该系列产品采用 32 位高性能微处理器为核心,对传感器的零点偏差、温漂、灵敏度偏差进行校正,从而确保产品的可靠性和一致性,报警角度包括四个固定模式和一个自定义模式。

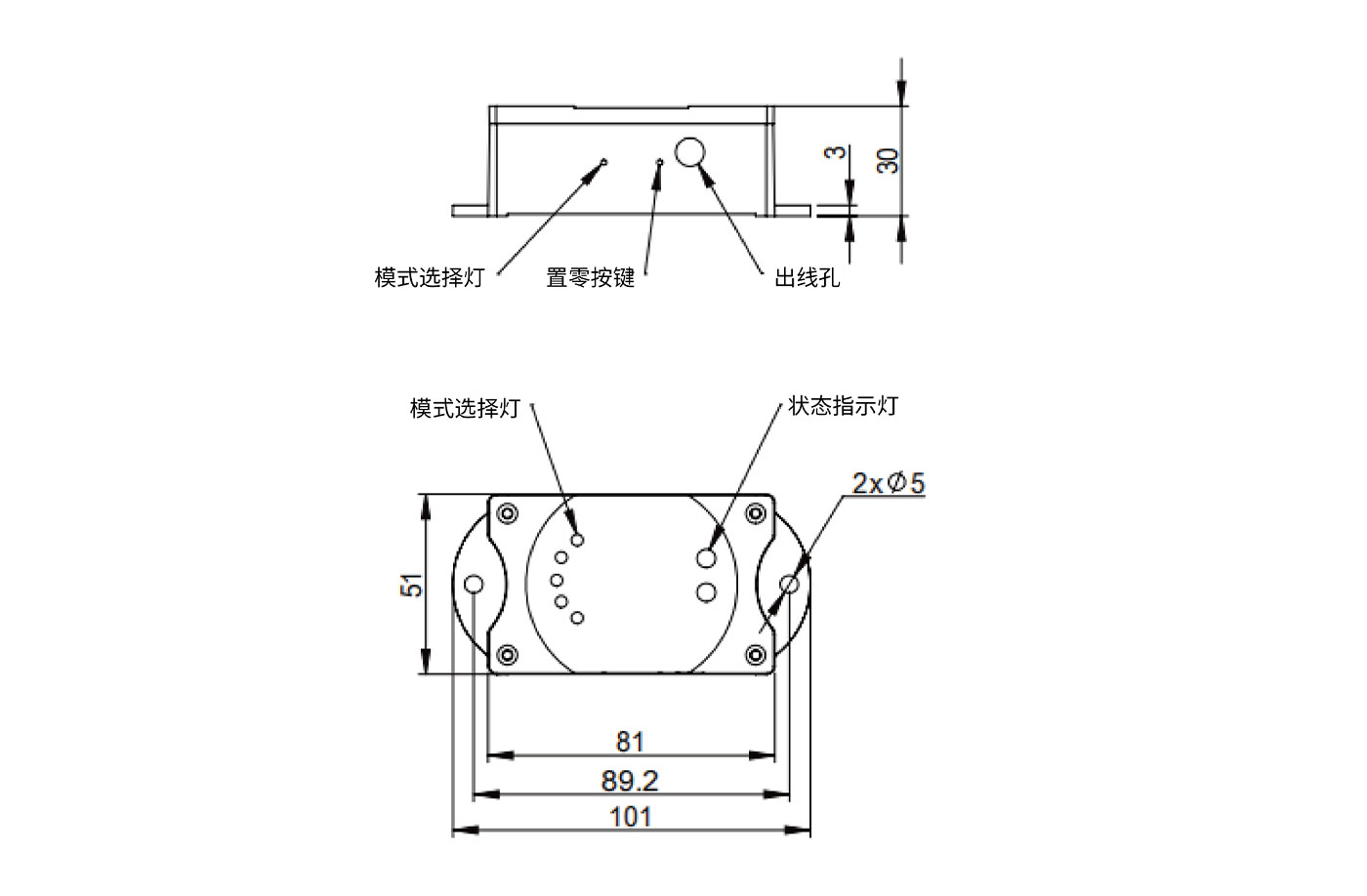
外壳尺寸

接线定义

工作状态图示

产品应用
  • 冰雪之约,魅力冬奥。直川的倾角传感器在火炬点燃现场,于隐身之处发挥关键作用。第24届北京冬季奥运会于2022年2月4日盛大开幕,开幕式在国家体育...
    05
    2022-02
  • 工程机械是装备工业的重要组成部分。概括地说,凡土石方施工工程、路面建设与养护、流动式起重装卸作业和各种建筑工程所需的综合性机械化施工工程...
    16
    2022-02
  • 为深入学习贯彻党的十九届五中、六中全会和总书记在两院院士大会、中国科协第十次全国代表大会上的重要讲话精神,贯彻落实中国科协服务科技经济融...
    07
    2021-12