点熄火控制盒
 SQ-S01-A1
  • 体积小巧的塑料外壳
  • 防护等级 IP65
  • 出线方式及长度可根据客户需求进行定制
产品概述

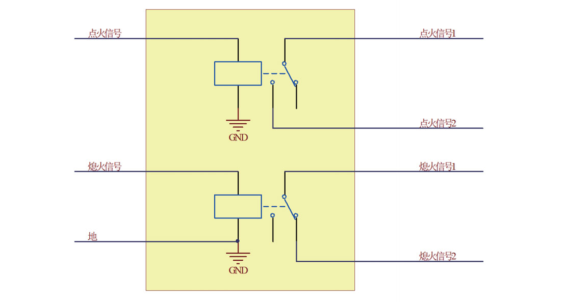
       SQ-S01-A1 是直川科技为客户定制的点熄火控制盒。控制盒将操控盒输出的单线有源(24V)点熄火信号,转换成双线干接点形式,且可以灵活配置干接点类型。

技术参数

输入电压:24VDC ;

输入功率:0.45W±10% ;

输出信号:

接触电阻:≤70mΩ(1A 6VDC)

最大负载电压:250VAC/30VDC

最大负载电流:5A

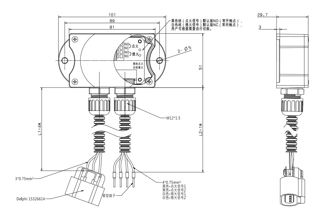
外壳尺寸

接线定义

工作状态图示