首页
产品中心
倾角传感器
双轴倾角传感器
单轴倾角传感器
高精度倾角传感器
动态倾角传感器
无线倾角传感器
倾角开关
长角传感器
磁编码传感器
振动传感器
压力传感器
磁致伸缩位移传感器
测斜仪
基坑测斜仪
固定式测斜仪
控制单元
IOT平台软件
服务与支持
解决方案
新闻中心
直川科技
关于我们
资质证书
ISO 质量体系认证
CE 欧盟安全认证
UL 美国安全认证
PL 功能安全认证
RoHS 欧盟环保认证
E-MARK 安全认证
Ex 防爆认证
第三方测试报告
软件著作证书
专利证书
专利密集型产品
其他证书及授牌
联系我们
中 文
English
首页
>
磁编码传感器
高精度磁编码器
ZCM-AG14A-M6
采用工业级元器件
稳定,可靠
抗震动,抗冲击
询价
样品申请
产品概述
ZCM-AG14A-M6 系列是直川科技研发生产的一款高精度磁编码器。其中编码器采用金属外壳,抗冲击 / 振动,兼容 CANopen 协议。
技术参数
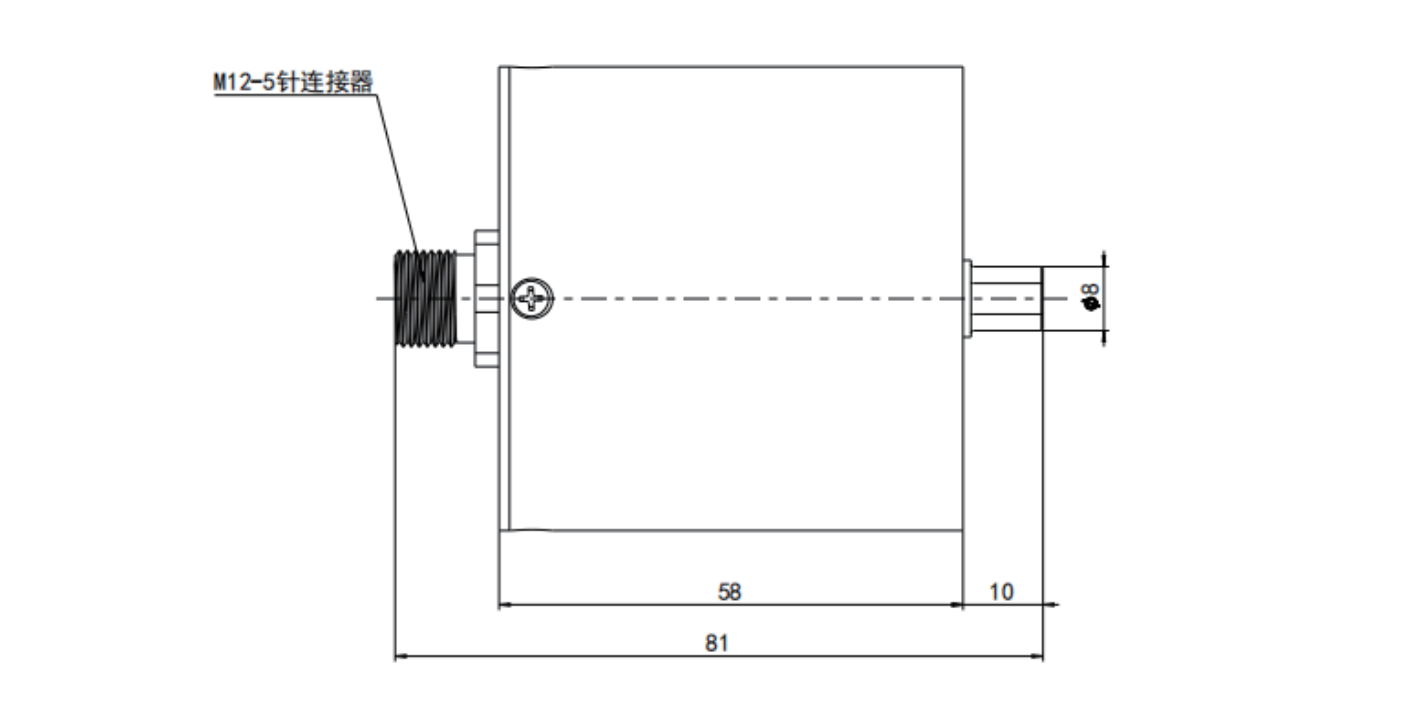
外壳尺寸
接线定义